第3章 材料

3-1 鉄筋(鋼種、呼び名) JIS G 3112

溶接継手に用いる鉄筋は JIS G 3112(鉄筋コンクリート用棒鋼)に規定する異形棒鋼とする。表7と表8に異形棒鋼の機械的性質と化学成分の規格値を記載する。

表7 異形棒鋼の機械的性質(JIS G 3112 抜粋)

注)2号試験片(寸法の呼び名D25未満)14A号試験片(寸法の呼び名D25以上)
注)寸法が呼び名D32を超えるものについては呼び名 3 増すごとに表の伸び値からそれぞれ2を減じる。ただし、減じる限度は4とする。 (SD345-D35=17,D38 以上=15 SD390-D35=15,D38 以上=13 SD490-D35=11,D38 以上=9)

表8 異形棒鋼の化学成分(JIS G 3112 抜粋)

3-2 溶接材料(溶接ワイヤ) JIS Z 3312

当工法の溶接は、炭酸ガスアーク溶接法で溶接を行なう。使用するワイヤは、JIS Z 3312-2009 に規定するものであり、鋼種に適合したものを使用する。適用鋼種ごとの適用溶接ワイヤの JIS 規格を表9に、ワイヤの化学成分及び機械的性質を表10に示す。

表9 適用鋼種ごとの JIS 規格と適用溶接ワイヤ銘柄

※1当工法では使用可としているが、伸び性や経済的なことを考えると◎の組み合わせが望ましい

表10 各鋼用ワイヤの化学成分と機械的性質

3-3 裏当て材(形状、寸法) JIS G 3131

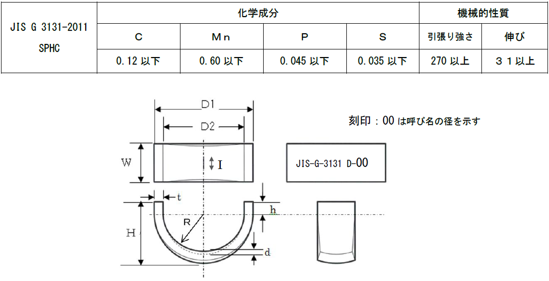
裏当て材は、鉄筋溶接継手協会が支給する JIS G 3131-2011「熱間圧延鋼材」SPHC を半円形に加工を施し、表面に焼け確認用の塗料を塗布し、規格に合格した JIS 刻印のあるものを使用する。尚、当協会の Lot 番号が発行されたもの以外の裏当材については対象外となるので施工認定書は適用されない。
表11に裏当て材の化学成分と機械的性質、表12に裏当て材の寸法を示す。

表11 裏当て材の化学成分と機械的性質
表12 裏当て材の寸法 (単位mm)

※裏あて材内面にはルート間隔の目安として「I」を打刻している。(P20-表 16 ルート間隔-1 ㎜)

3-4 炭酸ガス JIS K 1106

シールドガスとして用いる炭酸ガスは JIS K 1106 に適合するガスである。